Littelfuse MP8000 BLUETOOTH®-Enabled Relay
Littelfuse MP8000 BLUETOOTH®-Enabled Relay is an advanced motor protection electronic overload relay that is fully programmable using the Littelfuse app on an iPhone or Android smartphone or tablet. The MP8000 relay protects any motor drawing 0.5A to 1000A full load and is designed for single or three-phase systems with 90VAC to 690VAC operating voltages. This overload relay offers one-package protection for overload, voltage, phase loss and reversal, voltage and current unbalance, power monitoring, and underload. Users can utilize the Bluetooth interface for standalone applications when paired with a smartphone or tablet.Littelfuse MP8000 units also feature an Ethernet communications port that can be used to form an Ethernet Modbus TCP/IP network. These relays can be remotely monitored and controlled from a PC or SCADA system. Data logging is available through a PC with the optional Solutions software or other software program using the MP8000 memory map. The monitoring and control features enhance arc-flash safety. Applications include conveyor systems, HVAC equipment, saws and grinders, fan motors, and almost any pumping application.
Features
- BLUETOOTH® interface
- Programmable voltage and current settings
- Flexible reset that can be done through a push button on panel remotely via the network
- Three selectable restart options
- Automatic
- Semi-automatic
- Manual
- Network communications capability, compatible with Ethernet Modbus TCP/IP
- Four programmable delay timers
- Power-up
- Rapid-cycle protection
- Motor cool down
- Underload restarting
Applications
- Conveyor systems
- HVAC equipment
- Saws and grinders
- Fan motors
- Pumping applications
Videos
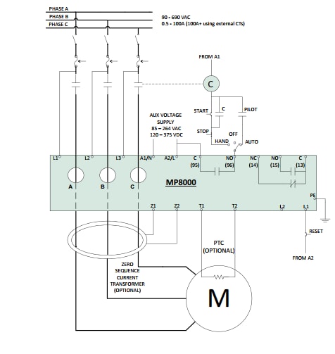
Wiring Diagram
Publicado: 2018-01-15
| Atualizado: 2023-02-09
